
먼저 모아바의 자료가 아닌 자료로 질문한점 죄송하다는 말씀 드립니다
그런데 문제는 모아바 자료 유무를 떠나(어느것이 완벽한 복원인지 모르는 상황에서) 만약 이럴 경우 응용명령어 CTUD를 사용할 경우는 어떻게 처리 할 수 있는지의 의문에 대한 질의였습니다
CTUD응용명령어 사용 프로그래밍에 상대적으로 익숙해 있는데 질문 드렸던 그 자료 풀이는 INC사용 프로그래밍이었습니다
그래서 그동안 강사님께 배워 익숙해져있는 저로서는 CTUD에서는 어떻게 처리를 할까 고민하다가 그런 경우를 찾을 수 없어 질의 했던 것입니다
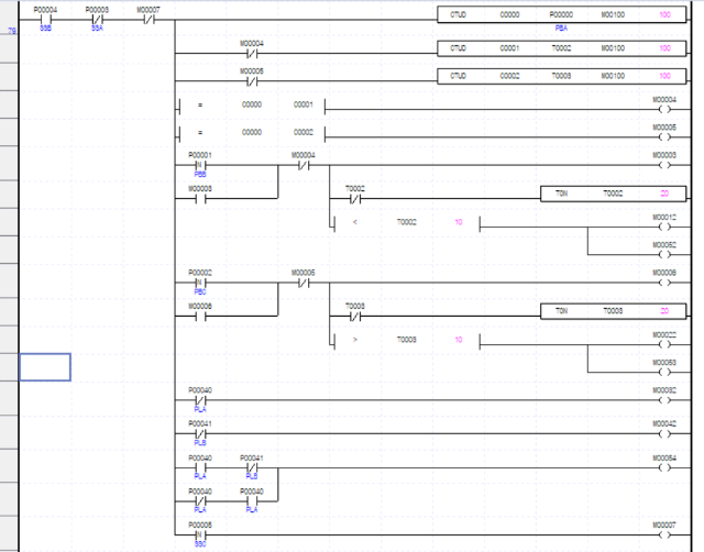
위 사진이 올려주신 답안 자료인데 이대로 하면 카운터 리셋이 돼 버리고 재 입력을 해야 동작을 시킬수 있지 않을까 하는 생각이 듭니다
CTUD 강의를 쭉 듣다가 CTU로 갑자기 바뀌니 이곳 저곳을 기웃거리게 되고 같은 풀이 방법의 강의를 찾을 수 없어 매우 혼란스러운점 이해 해 주시기 바랍니다
무슨 과목보다 PLC는 일관성, 동일한 패턴이 매우 중요함을 절실히 느낍니다
이전글
이전글이 없습니다.